リモートI/O
リモートI/O RIシリーズ
NEW
形 名
| RI -C | □ | -2A | -□ | □ | □ | □ | □ | |
|---|---|---|---|---|---|---|---|---|
| 通 信 | U | CUnet通信 | ||||||
| 5 | シリアル通信 | |||||||
| 入出力タイプ | -0 | 入力2点 | ||||||
| -1 | 出力2点 | |||||||
| -2 | 入力2点/出力2点 | |||||||
| アナログ出力1 | □ | 出力コード表参照 | ||||||
| アナログ出力2 | □ | 出力コード表参照 | ||||||
| アナログ入力1 | □ | 入力コード表参照 | ||||||
| アナログ入力2 | □ | 入力コード表参照 | ||||||
出力コード表
| コード | 出力種類 |
|---|---|
| M | 直流電流出力 4~20 mA DC |
| 直流電流出力 0~20 mA DC | |
| 直流電圧出力 0~1 V DC | |
| 直流電圧出力 0~5 V DC | |
| 直流電圧出力 1~5 V DC | |
| 直流電圧出力 0~10 V DC | |
| N(*) | 出力なし |
入力コード表
| コード | 入力種類 | レンジ | |
|---|---|---|---|
| M | 熱電対入力 | K | -200~1370 |
| K | -200.0~400.0 | ||
| J | -200~1000 | ||
| R | 0~1760 | ||
| S | 0~1760 | ||
| B | 0~1820 | ||
| E | -200~800 | ||
| T | -200.0~400.0 | ||
| N | -200~1300 | ||
| PL- | 0~1390 | ||
| C(W/Re5-26) | 0~2315 | ||
| K | -328~2498 | ||
| K | -328.0~752.0 | ||
| J | -328~1832 | ||
| R | 32~3200 | ||
| S | 32~3200 | ||
| B | 32~3308 | ||
| E | -328~1472 | ||
| T | -328.0~752.0 | ||
| N | -328~2372 | ||
| PL- | 32~2534 | ||
| C(W/Re5-26) | 32~4199 | ||
| 測温抵抗体入力 | Pt100 | -200.0~850.0 | |
| Pt100 | -328.0~1562.0 | ||
| 直流電圧入力 | 0~1 V DC | 0~16383 | |
| 直流電流入力 | 4~20 mA DC (受信抵抗外付) | 0~16383 | |
| 0~20 mA DC (受信抵抗外付) | 0~16383 | ||
| A | 直流電流入力 | 4~20 mA DC (受信抵抗内蔵) | 0~16383 |
| 0~20 mA DC (受信抵抗内蔵) | 0~16383 | ||
| V | 直流電圧入力 | 0~5 V DC | 0~16383 |
| 1~5 V DC | 0~16383 | ||
| 0~10 V DC | 0~16383 | ||
| N(*) | 入力なし | ||
仕 様
入 力
| 熱電対 (TC) | K, J, R, S, B, E, T, N, PL- 外部抵抗: 100 |
| 測温抵抗体 (RTD) | Pt100 3導線式(JIS C1604-2013) 許容入力導線抵抗 一線当りの抵抗値: 10 |
| 直流電流 (mA DC) | 0~20 mA DC, 4~20 mA DC 入力インピーダンス: 50 許容入力電流: 50 mA 以下 |
| 直流電圧 (V DC) | 0~1 V DC 入力インピーダンス: 1 M 許容入力電圧: 5 V DC 以下 許容信号源抵抗: 2 k 0~5 V DC, 1~5 V DC, 0~10 V DC 入力インピーダンス: 100 k 許容入力電圧: 15 V DC 以下 許容信号源抵抗: 100 |
性 能
| 入力基準精度 | 周囲温度23 | |
| 熱電対入力 | 各入力スパンの ただし,0 R, S入力 0~200 B入力 0~300 | |
| 測温抵抗体入力 | 各入力スパンの | |
| 直流電流入力 | 各入力スパンの | |
| 直流電圧入力 | 各入力スパンの | |
| 出力基準精度 | 各入力スパンの | |
| 周囲温度の影響 | 各入力スパンの50 ppm/℃以内 | |
| 出力更新周期 | 20 ms/2入力 | |
一般構造
| 質 量 | 約59 g |
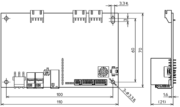
| 外形寸法 | 110×70×17 mm (横×縦×奥行 突起部除く) |
| 取り付け方式 | 壁面取り付け方式 |
通信機能
| 接続形態 | マルチドロップ方式 | |
| 通信方式 | 2線式半二重通信 | |
| 同期方式 | ビット同期 | |
| 誤り検出 | CRC-16 | |
| 占有スレーブアドレス数 | 1 | |
| 最大接続ノード数 | 64ノード | |
| 通信速度(*) 通信距離 | 通信速度 | ネットワーク最大長 |
| 12 Mbps | 100 m | |
| 6 Mbps | 200 m | |
| 3 Mbps | 300 m | |
| 絶縁方式 | パルストランス絶縁 | |
| インピーダンス | 100 | |
| 終端抵抗 | 最終接続 RI-CUスレーブのスライドスイッチで設定 | |
絶縁・耐電圧
回路絶縁構成

| 絶縁抵抗 | 500 V DC 10 M |
| 耐電圧 | 電源 – 接地間 1.0 kV AC 1分間 電源 – 入力間 1.0 kV AC 1分間 電源 – 出力間 1.0 kV AC 1分間 |
環境条件
| 周囲温度 | -5~55 |
| 周囲湿度 | 35~85 %RH(ただし,結露しないこと) |
| 環境仕様 | RoHS指令対応 |
| 耐腐食性 | 腐食性ガスのないこと |
付属機能
ウォームアップ,センサ補正,PVフィルタ,移動平均回数設定,入力異常,センサ異常
入力スケーリング機能,出力スケーリング機能,停電対策,自己診断,コンソール通信
その他
| 電源電圧 | 24 V DC 許容変動範囲 20~28 V DC |
| 消費電力 | 約4 W 以下 |
外形寸法図(単位: mm)

形 名
| RI -C | □ | -D | □ | |
|---|---|---|---|---|
| 通 信 | U | CUnet通信 | ||
| 5 | シリアル通信 | |||
| 入出力種類 | DI16A | 入力16点NPN | ||
| DI16B | 入力16点PNP | |||
| DIO8A | 入力8点/出力8点NPN | |||
| DIO8B | 入力8点/出力8点PNP | |||
| DO16A | 出力16点NPN | |||
| DO16B | 出力16点PNP | |||
仕 様
入力仕様
| コモン | プラス/マイナスコモン(NPN/PNP 対応) |
| 入力点数 | 8 点/16 点 |
| 入力状態表示灯 | ON 時緑色点灯(LED) |
| 定格入力電圧 | 24 V DC |
| ON 電圧/ON 電流 | 15 V DC 以上/3.5 mA 以上 |
| OFF 電圧/OFF 電流 | 5 V DC 以下/1 mA 以下 |
| 入力電流 | 5.5 mA 以下(24 V DC 時) |
| 入力抵抗 | 約4.7 k |
| ON 遅延時間 | 0.2 ms 以下 |
| OFF 遅延時間 | 0.5 ms 以下 |
| 取込周期設定 | 1 ms、5 ms、10 ms、20 ms |
出力仕様
| コモン | マイナス/プラスコモン(NPN 仕様時/PNP 仕様時) |
| 出力点数 | 8 点/16 点 |
| 出力状態表示灯 | ON 時緑色点灯(LED) |
| 定格負荷電圧 | 24 V DC±10 %、リップル含有率 5 %p-p 以下 |
| 定格出力電流 | 0.1 A/点 1.6 A/コモン |
| 残留電圧 | 1.2 V 以下 |
| 洩れ電流 | 0.1 mA 以下 |
| ON 遅延時間 | 0.2 ms 以下 |
| OFF 遅延時間 | 0.5 ms 以下 |
一般構造
| 質 量 | 約60 g |
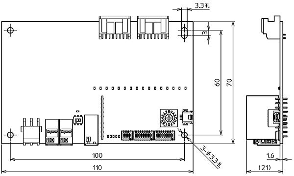
| 外形寸法 | 110×70×21 mm (横×縦×奥行 突起部除く) |
| 取り付け方式 | 壁面取り付け方式 |
通信機能
| 接続形態 | マルチドロップ方式 | |
| 通信方式 | 2 線式半二重通信 | |
| 同期方式 | ビット同期 | |
| 誤り検出 | CRC-16 | |
| 占有スレーブアドレス数 | 1 | |
| 最大接続ノード数 | 64 ノード | |
| 通信速度(*) 通信距離 | 通信速度 | ネットワーク最大長 |
| 12 Mbps | 100 m | |
| 6 Mbps | 200 m | |
| 3 Mbps | 300 m | |
| 絶縁方式 | パルストランス絶縁 | |
| インピーダンス | 100 | |
| 終端抵抗 | 最終接続RI-CU スレーブのスライドスイッチで設定 | |
絶縁・耐電圧
回路絶縁構成

| 絶縁抵抗 | 500 V DC 10 M |
| 耐電圧 | 電源 - 接地間 1.5 kV AC 1 分間 電源 - 入出力間 1.5 kV AC 1 分間 |
環境条件
| 周囲温度 | -5~55 |
| 周囲湿度 | 35~85 %RH(ただし,結露しないこと) |
| 環境仕様 | RoHS 指令対応 |
| 耐腐食性 | 腐食性ガスのないこと |
付属機能
ウォームアップ,停電対策,自己診断
その他
| 電源電圧 | 24 V DC 許容変動範囲 24 V DC ±10% |
| 消費電力 | 約4 W 以下(デジタル入/出力用の電源を除く) |
外形寸法図(単位: mm)


